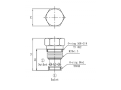
CCV-062-X0.2N,CCL-062-X0.2N,CCV-092-X0.2N,
CCL-092-X0.2N,CCV-082-X0.2N,CCL-082-X0.2N,
CCV-102-X0.2N,CCV-122-X0.2N,CCV-162-X0.2N,
CCV-T16-X0.2N,CCV-T18-X0.2N,
止回阀的工作原理是通过流体的压力差来打开或关闭阀门,以控制流体的单向流动。当流体的压力超过阀门的开启压力时,阀门自动打开,允许流体顺利通过;而当流体的压力低于阀门的关闭压力时,阀门则自动关闭,阻止流体倒流。这种阀门依靠阀瓣和一个弹簧的组合来实现其功能,其中阀瓣通常是一个可移动的圆盘或球体,在阀体内自由移动。






客服热线:

