CS1-063-L10N,CSV-063/093/T11/T02/T17-L10N
CS1-063-L10N,CSV-063-L10N,CSV-093-L10N,
CSV-T11-L10N,CSV-T02-L10N,CSV-T17-L10N,
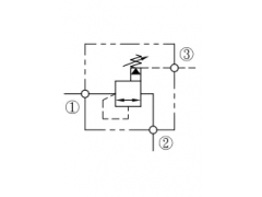
油压顺序阀的工作原理主要是利用油液的压力作为控制信号来控制油路通断,从而控制多个执行元件的动作顺序。这种阀门在具有二个以上分支回路的系统中发挥作用,根据回路的压力等参数来控制执行元件的动作顺序。油压顺序阀不仅可以作为顺序阀使用,还可以作为卸荷阀和背压阀使用,具有多种功能和应用场景。





客服热线:

