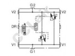
CRADW-120L-01-14M,CRADW-120L-11-14M,CRADW-120L-01-25M,CRADW-120L-01-32M,带梭阀电磁交叉溢流阀
CRADW-120L-11-32M,CRADW-120L-11-25M,

充液阀 螺纹插装阀普通会员
站内搜索
|
您当前的位置:首页 » 产品&解决方案 » CRADW-120L-01-14M,CRADW-120L-11-14M,CRADW-120L-01-25M,CRADW-120L-01-32M,CRADW-120L-11-32M,CRADW-120L
CRADW-120L-01-14M,CRADW-120L-11-14M,CRADW-120L-01-25M,CRADW-120L-01-32M,CRADW-120L-11-32M,CRADW-120L
详细信息 CRADW-120L-01-14M,CRADW-120L-11-14M,CRADW-120L-01-25M,CRADW-120L-01-32M,带梭阀电磁交叉溢流阀
CRADW-120L-11-32M,CRADW-120L-11-25M,
![]() 共0条 相关评论 |