
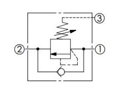
SC-11A-30-A,SC-11A-30-B,SC-11A-30-C,SC-11A-30-D,SC-11A-30-W,顺序阀
止回阀 换向阀 分流器 流量控制阀 手动泵 顺序阀 开关 逻辑阀 节流阀 溢流阀 平衡阀 单向阀 电磁阀 梭动阀普通会员
站内搜索
|
SC-11A-30-A,SC-11A-30-B,SC-11A-30-C,SC-11A-30-D,SC-11A-30-W,顺序阀
详细信息 SC-11A-30-A,SC-11A-30-B,SC-11A-30-C,SC-11A-30-D,SC-11A-30-W,顺序阀
共0条 相关评论 |