CKA1,CKA2,CKA3,CKA4,CKA1542-24,CKA38100-34,CKA2060-30,CKA4090-32,CKA2565-32,楔块式单向离合器
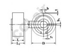
CKA型号为无轴承支撑的楔块式单向离合器,使用时需要配合轴承安装以承受轴向负载与径向负载,出厂时已加注润滑脂。径向尺寸与标准轴承尺寸相同。典型安装方式为CK-A型号与轴承同轴并排,相同的公差要求。内环、外环与工件用键联接。

| 型号 CKA | 公称转矩 Tn N.m | 超越时的极限转速 nr/min | 外环 | 内环 | ||||
| D(h7) | 键槽(b x t) | L1 | d(h7) | 键 槽 | L | |||
| (b1xt1) | ||||||||
| CKA1542-24 | 55 | 2500 | 42 | 3 x 1.8 | 22 | 15 | 3 x 1.4 | 24 |
| CKA1747-24 | 80 | 2500 | 47 | 3 x 1.8 | 22 | 17 | 3 x 1.4 | 24 |
| CKA1050-24 | 80 | 2500 | 50 | 3 x 1.8 | 22 | 10 | 3 x 1.4 | 24 |
| CKA1250-24 | 80 | 2500 | 50 | 4 x 2.5 | 22 | 12 | 4 x 1.8 | 24 |
| CKA1652-24 | 60 | 2500 | 52 | 4 x 2.5 | 22 | 16 | 4 x 1.8 | 24 |
| CKA2060-22 | 100 | 2250 | 60 | 6 x 3.5 | 22 | 20 | 6 x 2.8 | 22 |
| CKA2060-24 | 100 | 2250 | 60 | 6 x 3.5 | 22 | 20 | 6 x 2.8 | 24 |
| CKA2060-30 | 100 | 2250 | 60 | 6 x 3.5 | 20 | 20 | 6 x 2.8 | 30 |
| CKA2463-24 | 150 | 2000 | 63 | 6 x 3.5 | 24 | 24 | 6 x 2.8 | 24 |
| CKA2563-26 | 180 | 2000 | 63 | 6 x 3.5 | 24 | 25 | 6 x 2.8 | 26 |
| CKA2563-32 | 180 | 2000 | 65 | 6 x 3.5 | 30 | 25 | 6 x 2.8 | 32 |
| CKA2465-26 | 250 | 1800 | 65 | 6 x 3.5 | 24 | 24 | 6 x 2.8 | 26 |
| CKA2465-32 | 250 | 1800 | 65 | 6 x 3.5 | 30 | 24 | 6 x 2.8 | 32 |
| CKA2565-32 | 250 | 1800 | 65 | 6 x 3.5 | 30 | 25 | 6 x 2.8 | 32 |
| CKA2070-24 | 315 | 1500 | 70 | 6 x 3.5 | 22 | 20 | 6 x 2.8 | 24 |
| CKA2870-32 | 315 | 1500 | 70 | 6 x 3.5 | 30 | 28 | 6 x 2.8 | 32 |
| CKA3072-24 | 315 | 1500 | 72 | 6 x 3.5 | 22 | 30 | 6 x 2.8 | 24 |
| CKA2575-32 | 315 | 1500 | 75 | 8 x 4 | 30 | 25 | 8 x 3.3 | 32 |
| CKA2580-32 | 350 | 1500 | 80 | 8 x 4 | 30 | 25 | 8 x 3.3 | 32 |
| CKA3080-32 | 350 | 1500 | 80 | 8 x 4 | 30 | 30 | 8 x 3.3 | 32 |
| CKA2580-26 | 350 | 1500 | 80 | 8 x 4 | 24 | 25 | 8 x 3.3 | 26 |
| CKA2585-30 | 400 | 1500 | 85 | 8 x 4 | 28 | 25 | 8 x 3.3 | 30 |
| CKA3085-32 | 400 | 1500 | 85 | 8 x 4 | 30 | 30 | 8 x 3.3 | 32 |
| CKA3585-32 | 400 | 1250 | 85 | 8 x 4 | 30 | 35 | 8 x 3.3 | 32 |
| CKA3590-32 | 456 | 1250 | 90 | 10 x 5 | 30 | 35 | 10 x 3.3 | 32 |
| CKA4090-32 | 456 | 1250 | 90 | 10 x 5 | 30 | 40 | 10 x 3.3 | 32 |
| CKA45100-30 | 655 | 1250 | 100 | 10 x 5 | 28 | 45 | 10 x 3.3 | 30 |
| CKA32100-34 | 655 | 1250 | 100 | 10 x 5 | 32 | 32 | 10 x 3.3 | 34 |
| CKA35100-34 | 655 | 1250 | 100 | 10 x 5 | 32 | 35 | 10 x 3.3 | 34 |
| CKA38100-34 | 655 | 1250 | 100 | 10 x 5 | 32 | 38 | 10 x 3.3 | 34 |
CKA2563-32,CKA2465-26,CKA2465-32,CKA35100-34,CKA2070-24,CKA2870-32,CKA2585-30,
CKA3072-24,CKA2575-32,CKA2580-32,CKA3080-32,CKA2580-26,CKA3085-32,CKA3585-32,CKA3590-32,
CKA45100-30,CKA32100-34,
客服热线:



