返回主站
|
会员中心
|
保存桌面
|
手机浏览
11
6
直通接头 三通变径接头 对接式变径接头 直通可调向接头 法兰式接头
直通接头 三通变径接头 对接式变径接头 直通可调向接头 法兰式接头
网站首页
公司介绍
产品&解决方案
新闻中心
荣誉资质
联系方式
品牌展示
新闻中心
暂无新闻
产品分类
全部分类
接头
马达
润滑泵
油冷却器
齿轮油泵
软管接头
直通单向阀
三通梭阀
焊接接头
法兰式接头
可调向接头
高压铰接式接头
直通组合接头
直通隔板式接头
内螺纹接头
变径接头
四通接头
三通接头
直通接头
联系方式
联系人:销售员 1625
电话:13861877712
传真:0510-82306839
站内搜索
产品&解决方案
新闻中心
品牌展示
友情链接
暂无链接
首页
>
产品&解决方案
>
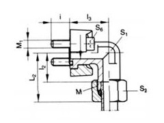
WFS62/16SA3C,WFS63/16SA3C,WFS63/20SA3C,WFS63/25SA3C,法兰式直角接头
WFS62/16SA3C,WFS63/16SA3C,WFS63/20SA3C,WFS63/25SA3C,法兰式直角接头
点击图片查看原图
产品:
浏览次数:567
WFS62/16SA3C,WFS63/16SA3C,WFS63/20SA3C,WFS63/25SA3C,法兰式直角接头
型号:
WFS62/16SA3C,WFS63/16SA3C,WFS63/20SA3C,WFS63/25SA3C,法兰式直角接头
单价:
面议
最小起订量:
供货总量:
发货期限:
自买家付款之日起
3
天内发货
有效期至:
长期有效
最后更新:
2016-02-21 11:03
详细信息
WFS62/16SA3C,WFS63/16SA3C,WFS63/20SA3C,WFS63/25SA3C,法兰式直角接头
WFS64/25SA3C,WFS64/30SA3C,WFS65/30SA3C,WFS65/38SA3C,
WFS65/30SA3C/12A3C,WFS65/38SA3C/12A3C,WFS66/38A3C,
询价单
共
0
条
相关评论
管理入口
|
返回顶部
©2026 直通接头 三通变径接头 对接式变径接头 直通可调向接头 法兰式接头 版权所有 技术支持:
无锡市昌林自动化科技有限公司
访问量:44066