手机版
二维码
欢迎访问昌林自动化官方网站!
了解产品
品牌站
搜索
首页
了解产品
资讯动态
品牌站
下载中心
首页
>
了解产品
>
气动辅助元件
>
接头类
>
气动接头
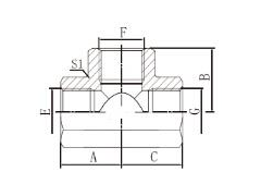
GB-02PK,GB-04PK,GB-06PK,GB-08PK,GB-12PK,GB-16PK,GB-20PK,GB-24PK,GB-32PK,内螺纹三通接头
点击图片查看原图
型号:
GB-02PK,GB-04PK,GB-06PK,GB-08PK,GB-12PK,GB-16PK,GB-20PK,GB-24PK,GB-32PK,
PDF下载:
如需产品详细说明请与销售客服联系
浏览次数:
488
公司基本资料信息
联系人
销售员1439(女士)
电话
13861877712
地区
江苏-无锡市
地址
无锡市会北路28-135
详细说明
GB-02PK,GB-04PK,GB-06PK,GB-08PK,GB-12PK,GB-16PK,GB-20PK,GB-24PK,GB-32PK,内螺纹三通接头
更多
>
本企业其它产品
K25JD-8BW,K25JD-10BW
NSCF01,NSCF02,NSCF03
NSFB04,NSFB06,NSFB08
NSF04,NSF06,NSF08,NS
NSS04-G01(DC),NSS06-
NSS04-G01(D),NSS06-G
NSS04-G01,NSS06-G01,
NSC04-G01(DC),NSC06-
0
条
相关评论